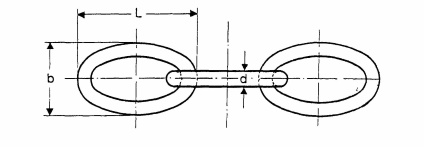
Cadena oval con eslabón ovalado. Su particularidad es que giran los eslabones entre sí. Muy utilizada en las cartolas de los camiones.

| Diámetro | Largo t | Ancho b |
| 6 | 45 | 30 |
| 6 | 45 | 30 |
| 7 | 50 | 35 |
| 8 | 51 | 36 |
| 10 | 59 | 40 |
Cadena oval con eslabón ovalado. Su particularidad es que giran los eslabones entre sí. Muy utilizada en las cartolas de los camiones.

| Diámetro | Largo t | Ancho b |
| 6 | 45 | 30 |
| 6 | 45 | 30 |
| 7 | 50 | 35 |
| 8 | 51 | 36 |
| 10 | 59 | 40 |
Introduce las medidas en nuestro buscador. Si no las encuentras, consúltanos.
17/08/2021
Los últimos acontecimientos ocurridos durante el “imprevisto temporal de nieve” han puesto de manifi..
LAR protagonista de la excursión extrema en Los Cárpatos15/08/2021
El fabricante europeo de cadenas de barro INDUSTRIAS LAR, ha probado sus exclusivas cadenas en uno d..
Cadenas para 4x414/08/2021
Cuando los automóviles recién se popularizaron, la mayoría de los caminos eran aún de tierra. Cada v..